Допустимые значения
Формула мощности электрического тока
Действующими правилами ПУЭ и стандартами ГОСТ 32144-2013 установлены предельные отклонения по несимметричному распределению напряжений в сетях 380 V. Контрольные параметры определяются специальными коэффициентами. Предельные значения не должны превышать 2% (4 %) для нулевой (обратной) последовательности, соответственно.
К сведению. Отмеченные определения выражают в векторной форме. В формулах для расчетов реальную систему с имеющимися отклонениями представляют как сумму симметричных компонентов.
Также для контроля применяют максимальное допустимое отклонение измеренных фазных токов. Отдельные нормы утверждены для типовых распределительных устройств:
- ВРУ – 15%;
- ЩР – 30%.
Перекос фаз в трехфазной сети: причины, защита и способы устранения
При эксплуатации силовых сетей 380 Вольт возможны нарушения, существенно влияющие на качество поставляемой потребителю электроэнергии. Одно из таких отклонений – перекос фаз, проявляющийся в неравномерном их распределении по подключенным к линии нагрузкам.
Результатом этого эффекта является существенное снижение мощности включенного в промышленную трехфазную сеть оборудования (трансформаторов или двигателей, в частности). В домашних условиях оно чревато повреждением бытовой техники, подключенной к одной из фаз электросети загородного дома.
Это объясняется тем, что напряжение в ней становится сильно заниженным или наоборот – превышает допустимую норму. Для предупреждения негативных последствий разного напряжения на фазах 380 Вольт разработан ряд организационных и технических мер.
Допустимые нормы перекоса
Для ограничения допустимых отклонений напряжений из-за перекоса фаз разработаны нормативы, регламентирующие их значения для промышленных силовых сетей. При превышении этих норм появляется реальная опасность выхода из строя силового оборудования, подключенного к данной линии. Их точные значения приводятся в соответствующих ГОСТах и других документах, определяющих порядок эксплуатации электрооборудования (в ПУЭ, например).
В соответствие с нормативами устанавливаются фиксированные соотношения между номиналами напряжений и токов в наименее и наиболее нагруженных участках линий. Для силовых распределительных щитов оно не должно превышать 30%, а для вводов в частные дома (ВРУ) – 15%. Согласно действующим ГОСТам допустимый перекос фаз по отдельным линиям с обратными токами не может быть более 2-х процентов, а по нейтральной жиле трансформатора – 4 процентов.
Нарушение симметрии в высоковольтных сетях
Инверторные сварочные аппараты способны нарушить распределение нагрузки тока
В сетях высокого напряжения появление нежелательной асимметрии связано с наличием мощных однофазных нагрузок или трехфазных потребителей с неодинаковым распределением по фазам.
Источниками перекоса в промышленных сетях 0,38-10 кВ являются различные типы плавильных электропечей (рудотермические, индукционные и подобные им нагревательные установки).
К перечню создающего асимметрию оборудования следует отнести инверторные сварочные аппараты, отличающиеся высокими токами потребления и способными нарушить равномерность распределения по нагрузкам.
Мощными источниками опасной асимметрии являются тяговые подстанции железнодорожного транспорта, поскольку современные электровозы представляют собой однофазные потребители электрической энергии. Их мощность достигает нескольких сотен киловатт, что только увеличивает вероятность нарушений при распределении нагрузок.
Убедиться в их наличии можно с помощью специальных токоизмерительных клещей, посредством которых удается проверить цепи, работающие с перегрузкой. При обнаружении в одной из фаз токовых значений, заметно превышающих допустимые величины, можно смело говорить о наличии опасного перекоса.
Негативное влияние перекоса напряжений и токов
Перекос фаз может привести в негодность электрооборудование
На появление фазной асимметрии необходимо оперативно реагировать по таким причинам:
- В этом случае реальна угроза повреждения подключенных к данной сети приборов или же ухудшение их рабочих показателей.
- Это приводит к нарушениям в работе источников электроэнергии (трансформаторов подстанции, в частности).
- Еще одно следствие ненормального распределения фаз – уменьшение срока эксплуатации станционного оборудования.
Для рядового потребителя последствия асимметрии выливаются в увеличение расходов на электричество, ремонт бытовых приборов, а также в возможность получения травм. Если перекос в линии вызван разрушением нулевого провода, условия для защиты от электрического удара заметно ухудшаются. Обрывается шина устройства заземления (ЗУ), смонтированного на трансформаторной подстанции, в отсутствии местного контура пользователь остается абсолютно беззащитным.
Перекос фаз. Что это такое и с чем он связан? Как исправить?

Одним из выдающихся благ цивилизации является электричество. Благодаря тому, что это открытие в наше время так распространено, жизнь общества в целом, и каждого человека в отдельности, значительно упростилась и стала более комфортной.
Вместе с тем, время от времени, в электросети могут возникать трудности, требующие решения. С ростом средней мощности бытовых приборов и техники, установленной в одном месте, например, в квартире, нередко возникает явление, называемое перекосом фаз.
В таких случаях, очень многие задаются вопросом, какие причины вызывают перекос фаз? И так, давайте разбираться.
Что же собой представляет перекос фаз
Трехфазную электрическую сеть в идеале можно представить равносторонним треугольником с нейтральной точкой в его середине.
Перекос фаз
Он отражает работу силового трансформатора на подстанции, которая установлена в каждом микрорайоне города и предназначена для равномерного распределения электричества по всем потребителям. Стороны этого треугольника – это векторные линии, соединяющие его вершины. Обозначив вершины точками A, B, C и нейтралью N, можно составить таблицу напряжений и зависимость между ними:
- AB=BC=CA=380 В
- AN=BN=CN=220 В
При этом напряжения AB, BC, CA в 1,73 раза больше напряжений AN, BN, CN. Идеальный трехфазный генератор, который обычно используется для питания всех бытовых приборов и промышленных сетей, должен обеспечивать эти уровни напряжений в широком диапазоне нагрузок.
Причины перекоса фаз
Причин перекоса может быть несколько, однако, наиболее распространенной является причина, связанная с неправильной и неравномерно распределенной нагрузкой в фазах внутренних сетей. В случае возникновения перекоса на объекте с трехфазным питанием, это означает, что одна или две фазы работают с перегрузкой, тогда как другие фазы имеют гораздо меньшую нагрузку.
Однофазные потребители нередко попадают на одну фазу, и в этом случае перекос фаз образуется при одновременном включении большого количества бытовой техники. Первыми признаками перекоса могут быть бытовые приборы, мощность которых заметно упала, или они вообще перестали работать. Освещение становится тусклым, а лампы дневного света начинают мерцать.
Важно
Основная опасность ситуации состоит в том, что бытовые приборы начинают работать некорректно, и появляется реальная возможность поломок вплоть до полного выхода их из строя. Наибольшая часть негативных последствий приходится на различные виды электродвигателей, которые установлены почти во всех приборах.
После того, как выяснился вопрос, что такое перекос фаз и с чем он связан, необходимо рассмотреть основные способы борьбы с этим явлением. Следует сразу отметить, что данные способы не являются универсальными, а подходят только для конкретных ситуаций.
Устранение перекоса фаз
Для того, чтобы избежать перекос фаз, необходимо осуществить тщательное планирование всех мощностей и рассчитать все возможные нагрузки с их правильным распределением по фазам. Как правило, составляется подробный электропроект на квартиру или дом.
При эксплуатации необходимо выполнять проверку тока с помощью специальных тестеров. Если возникнет необходимость, должна быть выполнена переброска однофазных нагрузок с более загруженных фаз на менее загруженные.
Ток на каждой фазе трёхфазного автомата должен быть тщательно измерен, после чего нужно перераспределить однофазные нагрузки так, чтобы токи на каждой фазе были приблизительно равными.
Эта работа должна выполняться только профессионалом, имеющим специальное оборудование.
Защита от внешнего перекоса фаз может быть исполнена с помощью стабилизаторов напряжения. На каждую фазу устанавливают определённый стабилизатор. Это будет более эффективно, чем установка одного трёхфазного стабилизатора.
В заключение необходимо подчеркнуть, что перекос фаз может стать причиной повреждения или полного выхода из строя электроприборов. Следовательно, для её устранения необходимо установить стабилизаторы или привлечь профессионалов, которые квалифицированно спроектируют электросеть.
Защита от перенапряжения. Что поможет защитить сеть?
Источник бесперебойного питания для частного дома.
Отличия от однофазного тока
Как правило, в многоквартирные дома подводится трехфазный переменный ток. Это обусловлено подключением большого числа однофазных нагрузок. В этом случае есть возможность равномерно нагрузить каждую фазу цепи трансформаторной подстанции. Это позволит не допустить перекоса межфазного и фазного напряжений.
Основные различия, по сравнению с однофазным током, лежат в следующей плоскости:
- линейное напряжение не рассчитано на питание однофазных потребителей;
- величина мощности нагрузки зависит от сечения питающего кабеля;
- возможность включения в сеть трёхфазных потребителей;
- допустимость переключения однофазного потребителя на другую фазу.
В связи с этим использование трёхфазного тока более эффективно на производстве.
Распределение электроэнергии
Важно! Стоимость оборудования, кабельной продукции, электроэнергии, приборов учёта при подведении к объекту напряжения, равного 380 В, значительно выше, чем однофазной сети. Какой вариант тока выбрать, трёхфазный или однофазный, решать владельцу жилья. Особенно это касается больших частных домов, где современное электрооборудование требует наличия всех трёх фаз
Затраты на подведение 3-х фазного тока и установку узла учёта с лихвой окупятся возможностями использования трёхфазных потребителей в приусадебном хозяйстве
Особенно это касается больших частных домов, где современное электрооборудование требует наличия всех трёх фаз. Затраты на подведение 3-х фазного тока и установку узла учёта с лихвой окупятся возможностями использования трёхфазных потребителей в приусадебном хозяйстве
Какой вариант тока выбрать, трёхфазный или однофазный, решать владельцу жилья. Особенно это касается больших частных домов, где современное электрооборудование требует наличия всех трёх фаз. Затраты на подведение 3-х фазного тока и установку узла учёта с лихвой окупятся возможностями использования трёхфазных потребителей в приусадебном хозяйстве.
Причины перекоса
Авария, которая напрямую влияет на перекос фаз – обрыв нуля, так как именно этот провод играет роль баланса в трехфазной сети. Как известно, при надлежащей работе сети из трех фаз напряжение в обоих фазных проводах составляет 220В.
Второй фазный провод начинает выдавать 380В – как вы думаете, что в этом случае происходит с бытовой техникой в доме? Конечно, она начинает выходить из строя, сильно пострадает та техника, которая находится на самом конце сети. Тем более что не все автоматы отключаются сразу. В такой ситуации приборы могут воспламениться, как и проводка. Как видим, обрыв нуля в сети вызывает непоправимые последствия, которые опасны для человека, так как отсутствие заземления может привести к поражению током, при включенных приборах.
Схема работы перекоса фаз в трехфазной сети
Еще одной причиной перекоса считается неправильное распределение напряжения в частном доме с трехфазной сетью. Например, бытовая техника, которая потребляет много энергии, сгруппирована в одном месте, и все они включены в одну розетку, а все остальные свободна. И если провести исследования сети, то на свободной фазе напряжение будет гораздо больше, чем на загруженной. Конечно, автоматы могут прекратить подачу электричества в перегруженную сеть, просто отключив фазную сеть.
Но давайте представим такую ситуацию, что автомат заклинило. Что может произойти? Перегрев проводки, деформация и возгорание, так что даже без обрыва нуля, может случиться перекос. Избежать этого просто – достаточно правильно распределить приборы, потребляющие электричество.
Какие угрозы имеется при перекосе?
Пренебрегать последствиями такого явления не рекомендуется. Потенциальная опасность перекоса очень велика, а все отрицательные моменты можно разделить на три условных группы:
- Нанесение вреда потребителям электричества. Оборудование и приборы могут прослужить меньший срок, получить повреждение и полностью выйти из строя.
- Не меньшая угроза имеется и для источников электричества. В первую очередь надо упомянуть повреждения механического характера, критическое возрастание потребления энергии, снижение эксплуатационных сроков.
- Для владельцев оборудования в разы увеличиваются расходы на потребляемое электричество, частые ремонтные работы, а также потенциальная опасность получения травм.
Неравномерное распределение энергии по токопроводникам всегда способствует увеличению потребления электричества. Несимметричность в трехфазной сети – это практически неизбежное снижение эксплуатационного ресурса бытовых приборов и техники.
Существует реальная опасность поломки генератора автономной электростанции, ведь происходит существенное увеличение потребляемого топлива и масла. Снижаются параметры безопасности при получении одной из фаз большего напряжения, чем остальными. Следовательно, возникает риск электротравматизма. В подобных ситуациях нередки факты возгорания проводки и приборов.
Таким образом, речь идет об очень серьезных последствиях и значительных затратах на преодоление их последствий. Существует несколько способов профилактики нежелательного воздействия перекосов.
Что же собой представляет перекос фаз с точки зрения электротехники?

Трехфазную электрическую сеть в идеале можно представить равносторонним треугольником с нейтральной точкой в его середине. Он отражает работу силового трансформатора на подстанции, которая установлена в каждом микрорайоне города и предназначена для равномерного распределения электричества по всем потребителям. Стороны этого треугольника – это векторные линии, соединяющие его вершины. Обозначив вершины точками A, B, C и нейтралью N, можно составить таблицу напряжений и зависимость между ними:
AB=BC=CA=380 В;
AN=BN=CN=220 В.
При этом напряжения AB, BC, CA в 1,73 раза больше напряжений AN, BN, CN.
Идеальный трехфазный генератор, который обычно используется для питания всех бытовых приборов и промышленных сетей, должен обеспечивать эти уровни напряжений в широком диапазоне нагрузок.

Чем опасен перекос фаз.
Во время перекоса наблюдается неравномерная нагрузка на фазы – на задействованной напряжение падает ниже нормы, тогда как недогруженная фаза испытывает скачок напряжения, превышающий допустимые показатели. Результаты такого положения могут быть плачевными для многих электроприборов. Это вызвано тем, что отдельный прибор может либо недополучать требующейся мощности, либо получать ее в избытке. Особенно такое положение опасно для приборов, потребляющих много энергии: двигателей для ворот, насосов, оборудования, использующегося в бассейнах и при поливе.

Вернемся: как исправит проблему с перекосом фаз?
Предотвратить негативные последствия для оборудования от перекоса между фазами позволяет трехфазный автомат. Если мощность в одной фазе превышаю предусмотренную нагрузку, автоматически отключается электричество во всем доме/линии. Это не является решением ситуации, потому что лишь подобный подход не позволяет использовать всю доступную мощность. К примеру, при трехфазном автомате на 16А, при превышении нагрузки на одной фазе 16А – система отключится, но это не позволяет полностью использовать всю возможную мощность 48А (16Х3).
Идеальным вариантом является планирование всех мощностей на начальном этапе проектирования здания, таким образом можно равномерно распределить напряжение между всеми фазами, предотвратив тем самым перекос. Если же здание уже сдано в эксплуатацию – можно замерить напряжение на каждой фазе в отдельности, для этого используется вольтметр, и при необходимости осуществить перераспределение.
Реальные рабочие условия
При стандартном распределении на дом с тремя подъездами обычно одна фаза используется для питания одного подъезда, вторая для второго и третья, соответственно, для третьего. Это позволяет равномерно нагрузить развязывающий понижающий трансформатор на подстанции и обеспечить ему оптимальные режимы работы. Но это справедливо, только если нагрузка примерно одинакова, притом как в активной, так и реактивной составляющей.
Пишите комментарии,дополнения к статье, может я что-то пропустил. Загляните на карту сайта, буду рад если вы найдете на моем сайте еще что-нибудь полезное.
Что такое перекос фаз, как исправить эту проблему. : 46 комментариев
Статья хорошая, на практике часто встречался с подобным, хотя по распределению фаз по подъездам могу не согласится,, например у нас в доме в подъезд заходит все три фазы, между которыми равномерно распределены квартиры. и в каждом подъезде есть свой распредщит. так что все зависит от обслуживающей дом, район, город РЭСа. Хочу спросить, фото из жизни.
Олег, здравствуйте.Спасибо за комментарий. В конце вы просите фото из жизни.Я не понял какое фото?
Юрий, здравствуйте Спасибо за статью, и все-таки такой вопрос. Предположим, что у себя в доме я распределил нагрузку и вcе три фазы нагружены равномерно. А перед моим домом творится все, что угодно — получается, что только своими мероприятиями обезопасить себя от перекоса фаз нельзя?
Конечно нет. Дружище, почитай комментарии.
Нет, я спрашиваю, фото в статье, взято из собственного опыта или нет.
«>
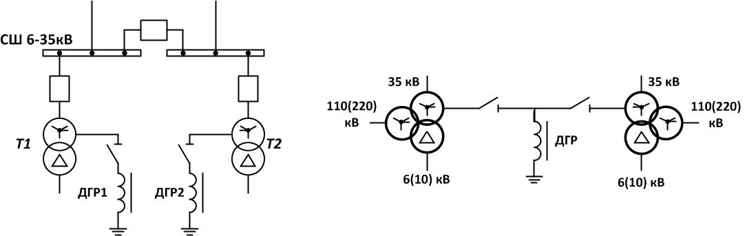
Основные характеристики ДГР
Дугогасящий реактор (ДГР) – это электрический аппарат, предназначенный для компенсации емкостных токов в электрических сетях с изолированной нейтралью, возникающих при однофазных замыканиях на землю (ОЗЗ). Главным нормативным документом регламентирующим работу, установку и надстройку ДГР является Р 34.20.179.
Дугогасящие реакторы должны подключаться к нейтралям трансформаторов, генераторов или синхронных компенсаторов через разъединители. В цепи заземления реакторов должен быть установлен трансформатор тока. Рекомендуемые схемы подключения ДГР представлены на рис. 4.

Рисунок 4 – Схема подключения ДГР: а) подключение ДГР к трансформаторам СН; б) подключение ДГР к нейтрале силового трансформатора
Индуктивность ДГР подбирается из условия равенства емкостной проводимости сети и индуктивной проводимости реактора. Таким образом, происходит компенсация ёмкостного тока. Ёмкостный ток суммируется в месте замыкания равным ему и противоположным по фазе индуктивным, в результате остается только активная часть, обычно очень малая, это утечки через изоляцию кабельных линий и активные потери в ДГР (как правило, не превышают 5 А), которой недостаточно для возникновения электрической дуги и шагового напряжения. Токоведущие цепи остаются неповреждёнными, потребители продолжают снабжаться электроэнергией.
Современные ДГР имеют различные конструктивные особенности и производятся для огромного диапазона мощностей. В таблице 2 приведен ряд параметров дугогасящих реакторов разных производителей.
Таблица 2 – Параметры ДГР
|
Тип реактора |
РДМР |
РЗДПОМ |
РУОМ |
ASR, ZTC |
TRENCH |
|
Охлаждение |
Масляное |
Масляное |
Масляное |
Масляное |
Масляное, сухое |
|
Исполнение |
Одинарное |
Одинарное |
Одинарное |
Одинарное, комб-ное |
Одинарное, комб-ное |
|
Класс напряжения, кВ |
6, 10 |
6, 10, 20, 35 |
6, 10 |
6, 10, 20, 35 |
6, 10, 20, 35 |
|
Кратность регулирования |
8–25 |
5 |
10 |
10 |
10 |
|
Диапазон мощностей, кВА |
300–820 (1520) |
120–1520 |
90–1520 |
50–8000 |
100–1000 |
При выборе дугогасящего реактора рекомендуется следующий порядок; определяется максимальный емкостный ток замыкания на Землю; определяется суммарная мощность реакторов из условия полной компенсации емкостного тока (резонансная настройка); определяется число реакторов (если IС > 50 А, рекомендуется применять не менее двух реакторов);
Перекос фаз в трехфазной сети: причины и последствия
У конечных потребителей сетей централизованного электроснабжения, которое является трёхфазным, применяется напряжение 220 В. Это фазное напряжение. Три фазы распределяются между несколькими потребителями.
Они подключаются к сети не одновременно и с неодинаковыми нагрузками.
Поэтому необходимо использование нейтрали чтобы обеспечивать подачу фазного напряжения каждому потребителю при несимметричной нагрузке в этой трёхфазной сети.
Суть проблемы
Но поскольку существует ограничение по мощности конечных трансформаторных подстанций, при упомянутых выше нагрузках величины фазных напряжений изменяются соответственно нагрузкам.
У более нагруженной фазы напряжение уменьшается например до 195 – 205 В, а менее нагруженной увеличивается до 245 В и более.
Последствием таких нагрузок является ток в нейтрали, который по своей величине может быть близким к току нагруженной фазы.
Как следствие этого – увеличение потерь. Они есть в кабельных и воздушных линиях электропередачи, трансформаторных подстанциях, и даже в высоковольтных ЛЭП питающих эти подстанции.
Особенно характерно такое «смещение нейтрали» – термин, характеризующий фазные напряжения при несимметричных нагрузках в трёхфазной сети, для жилого сектора потребителей электроэнергии.
При этом повышение напряжения является небезопасным для некоторых бытовых электроприборов.
Совет
Используемые в инфраструктуре жилого фонда трёхфазные асинхронные двигатели уже при двухпроцентной асимметрии испытывают дополнительный нагрев обмоток, что заметно сокращает срок службы изоляции.
Причём дальнейшее увеличение асимметрии в разы, то есть всего лишь до 4 – 6% вызывает рост общих потерь почти в два раза. То же относится и к лампам накаливания и люминесцентным лампам.
При повышении напряжения всего лишь на пять процентов спирали в них почти в два раза быстрее перегорают.
Что делать при перекосе фаз?
Чтобы уменьшить смещение нейтрали перед подстанциями рекомендуется устанавливать специальные симметрирующие автотрансформаторы. Схемы включения таких трансформаторов приведены ниже на изображениях.
Приведенные выше схемы применимы также с глухо заземлённой нейтралью нагрузки при отсутствии технической возможности встраивания компенсационной автотрансформаторной обмотки в нулевой провод, соединяя через эту обмотку нагрузку с сетью.
Поскольку увеличение нагрузки например в фазе А вызовет увеличение тока в этой фазе, напряжение на соответствующей последовательно включённой обмотке автотрансформатора тоже увеличится и произойдёт компенсация падения напряжения пропорциональная силе тока нагрузки. Установка автотрансформаторов вблизи распределительной подстанции обеспечивает наилучший эффект. Когда с этой подстанции электроэнергия по разделённым фазам подаётся потребителям, становится возможным симметрирование напряжения.
Работа этих устройств вносит искажения в синусоидальную форму напряжения питающей электросети.
Следствием подобных искажений являются тепловые потери во всех работающих электрических машинах, подключенных к этой электросети.
Компенсация смещения нейтрали с использованием специального автотрансформатора весьма недешёвый способ борьбы с потерями электроэнергии при смещении нейтрали при несимметричной фазной нагрузке. Однако положительный эффект от этого способа получается непрерывно и быстро окупает все расходы.
Как правильно распределить нагрузку по фазам? Как определить фазы в трехфазной сети

РазноеКак определить фазы в трехфазной сети
Это явление, возникающее в трехфазных четырех- и пятипроводных электрических сетях с глухозаземленной нейтралью. Данное состояние сети отличается несимметрией токов и напряжений с разными амплитудами напряжений углами между ними.
Для лучшего понимания и большей наглядности процесса предлагаем сравнить векторные диаграммы напряжений трехфазных сетей. Диаграмма 1 отличается идеальной взаимосвязью линейных и фазных напряжений, на диаграмме 2 хорошо видна несимметрия напряжений сети, т. е. имеет место перекос фаз.
Причины возникновения
В большинстве случаев к этому аварийному режиму приводит неравномерное распределения нагрузки — когда одна или две фазы перегружены. В этом случае высокие токи потребления на них приводят к неизбежному увеличению напряжения на других фазах.
Нередко, причиной несимметрии напряжения сети является неполнофазный режим. опасный не только для нагрузок с питающим напряжением 220 В, но и для трехфазного оборудования. Так, отсутствие одной фазы в линии может привести к возрастанию токов в остальных.
Замыкание одной из фаз с рабочей нейтралью («нулем») и несработка по каким-либо причинам автомата защиты (неисправность, большая длина участка линии между местом КЗ и автоматом и пр.). В этом случае также происходит увеличение Uф на других проводниках.
Способы устранения
Несомненно, лучшим способом предотвращения несимметрии напряжения является планирование равномерного распределения предполагаемой нагрузки по фазам сети еще на стадии проектирования электроустановки.
Для устранения возникшей несимметрии напряжения в ходе эксплуатации электрической сети производят замеры токов по фазам и перераспределением нагрузок (переключение с более загруженных на менее нагруженные фазы) добиваются равных токов потребления.
В быту для обеспечения допустимого напряжения питания отдельных приборов или их группы нередко используют однофазные стабилизаторы напряжения, в трехфазных сетях — соответственно, трехфазные устройства.
Однако, следует учитывать, что выравнивание значения Uф до допустимого с использованием трехфазного стабилизатора неизбежно сопровождается отклонением от нормы на других фазах.
Таким образом, можно говорить об эффективности его использования для предотвращения отклонения напряжения на одной (контролируемой) фазе, но его отклонение от нормы на других может стать вторичной причиной возникновения несимметрии напряжении.
Допустимый перекос фаз
Главным действующим документом, определяющим качество электроэнергии и регламентирующим нормы несимметрии напряжений является ГОСТ 13109-97 (п.п 5.5). Допустимое отклонение соотношений нагрузок, согласно требований СП 31-110 (9.5) — 15% в панелях ВРУ и 30% в распредщитах.
Информация
Данный сайт создан исключительно в ознакомительных целях. Материалы ресурса носят справочный характер.
При цитировании материалов сайта активная гиперссылка на l220.ru обязательна.
Как правильно распределить нагрузку по фазам?
Каждый владелец трехфазного ввода (380 В) обязан позаботиться о равномерной нагрузке на фазы, дабы избежать перегрузки одной из них. При неравномерном распределении на трехфазном вводе, напряжения на фазных проводах начинают различаться друг от друга, как в большую так и в меньшую сторону.
На уровне однофазного питания (220 Вольт) это может повлечь за собой поломку электрических приборов, из-за повышенного напряжения 250-280 Вольт, или же пониженного 180-150 Вольт. Помимо этого в данном случае наблюдается завышенное потребление электроэнергии у нечувствительных к перекосу напряжений электрических приборов.
В этой статье мы расскажем вам, как выполняется распределение нагрузки по фазам, предоставив краткую инструкцию со схемой и видео примером.
Обрыв нейтрального проводника
Обрыв нулевого провода в 3-х фазной электрической сети самая неприятная авария, которая вызывает немедленно перекос фаз. Она является непосредственной причиной выхода из строя однофазного электрооборудования.
В этом случае величина напряжения становится 380 В, вместо положенных 220 В, что будет катастрофой для электроприбора, рассчитанного на данное напряжение.
На электрических подстанциях в силовых согласующих трансформаторах 3 имеющихся обмотки, соединены по схеме «звезда». Из общей точки их подключения исходит нулевой проводник. В случае его обрыва в электросети создается несимметрия напряжений, то есть перекос фаз, который находится в прямой зависимости от подключенной нагрузки. Ниже рисунок демонстрирует такую ситуацию.
Рисунок показывает: если все нагрузки RH одинаковы, то наиболее загруженной окажется фаза C, а разгруженная – фаза А. Обрыв нейтрального проводника вызывает неуправляемый процесс.
Последствия обрыва нулевого проводника
В конечном результате неуправляемого процесса последует перераспределение в фазных шинах разности потенциалов. Проводник фазы, которая подвержена наибольшей загрузке, будет выполнять роль нейтрального провода и напряжение в нем увеличится до 380 вольт. В фазной шине, загруженной по минимуму, напряжение «проседает» до 127 вольт и ниже.
Тогда, если в домашней электросети будут включены электроприборы, то индикатор будет показывать наличие в розетках двух фаз, то есть 380 В. Все потребители электроэнергии будут запитаны по принципу «Звезда без нуля».
Отсюда следует, что выйдут из строя первыми потребители энергии с двигателями. К их числу следует отнести: холодильники, вентиляторы, сплит-системы, стиральные машины, кондиционеры.
За ними последуют ИБП и приборы, в конструкцию которых включены нагревательные элементы. Точная радиоэлектронная аппаратура, которая содержит элементы локальной защиты пострадает меньше всего. Современный телевизор, скорее всего, отключится, но сгореть не должен.
В худшем положении окажутся потребители электроэнергии, находящиеся «в конце» данной цепочки. На этом участке сети будет наблюдаться превышение допустимых величин нагрузки и положение усугубляется тем, что далеко не все автоматы сработают в штатном режиме.
Тогда возрастает вероятность возгораний источников потребляемой мощности и электропроводки. В этом состоит исключительный эпизод перекоса фаз. Полная асимметрия напряжений сети приводит к поражению электрическим током, если к тому же отсутствует надежное дополнительное заземление.
Методы защиты
Одна из причин обрыва нейтрали указывает на неверное подсоединение нулевого проводника либо нарушение последовательности подключений проводов электриком. Однако аварийная ситуация также может создастся и без человеческого фактора.
Так, например, не исключено «отгорание» нейтрального проводника на электроподстанции или в силовом распределительном щите, обрыв жилы в электрическом кабеле и др. Когда нулевой проводник не надежно закреплен, то он нагревается, окисляется и в конечном итоге перегорает.
Использование больших номиналов предохранителей также может привести к аналогичному результату. Частенько нулевая жила обрывается от обледенений, проведения некачественных ремонтных работ, от сильного ветра и др.
Единственный выход из такого аварийного положения просматривается в немедленном отключении питающего напряжения. Это действие доступно сделать вручную, но не всегда можно успеть. С подобной задачей на высоком уровне справляются автоматические устройства защиты, которые способны моментально отключить сеть при возникновении в ней перенапряжения.
К таким устройствам относятся стабилизаторы, УЗО, в которых предусмотрена защита от повышенного напряжения, дифференциальные автоматы, реагирующие на обрыв нейтрали, автоматические выключатели.
Возможности автоматических выключателей расширяются, если совместно с ними используются расцепители напряжения, срабатывающие от допустимой максимальной и минимальной величины разности потенциалов. Нередко для предупреждения аварийных ситуаций используются специализированные реле напряжения.
Эффективен также ограничитель перенапряжения УЗИП. Он отключает электросеть при перенапряжении в электрической проводке, которое возникает из-за обрыва либо «отгорании» нейтрального проводника, при попадании разряда молнии и по ряду других причин. Часто используется в частных домовладениях.
Защита и устранение
Для того чтобы предотвратить возникновение перекоса и обеспечить нормальную эксплуатацию трехфазной сети, необходимо привести напряжение на каждой фазе в соответствие с номиналом. Это можно сделать с помощью специальных приборов и устройств, например, используя стабилизатор напряжения. Как правило, это трехфазное устройство, состоящее из трех однофазных приборов, используемое в условиях промышленного производства. Тем не менее, стабилизаторы не способны устранять перекосы, они лишь выравнивают напряжение в каждой фазе.
Иногда они сами становятся причиной неравномерного распределения электроэнергии. Поэтому для борьбы с перекосами разработаны специальные технологии, способные выровнять напряжение между фазами. Среди них наибольшее распространение получили:
- Использование автоматических устройств, выравнивающих нагрузки.
- Проектирование электроснабжения на объекте с учетом предполагаемых нагрузок. Эффективное устранение перекоса фаз в трехфазной сети возможно путем тщательного планирования мощностей и расчетов возможных нагрузок с учетом их правильного распределения по фазам.
- Возможность изменения электрических схем с учетом добавленных мощностей потребителей.
- Подключение специальных устройств, контролирующих фазное напряжение и отключающих питание в случае перекоса.
В процессе эксплуатации нередко приходится измерять перекос фаз в трехфазной сети. Для этого используются специальные тестеры и по итогам измерений однофазные нагрузки перебрасываются с перегруженных фаз на менее загруженные. Ток на каждой фазе должен тщательно измеряться, чтобы при перераспределении токи каждой фазы были примерно одинаковые.
Существуют нормативы, определяющие допустимый перекос и нормы несимметрии. Так, разница нагрузок в вводно-распределительных устройствах между фазами не должна превышать 15%, а в распределительных щитах – 30%.






























